Magnetic Impact Socket 磁性氣動套筒
- 磁性氣動套筒,更好地保持螺栓在套筒中。
- 天藝氣動套筒,台灣製造,由鍛造和經過熱處理的鉻鉬鋼(CR-MO)製成,具有防腐的磷酸錳表面處理(磷酸錳表面處理)。
- 天藝氣動套筒採用高扭力的6角套筒設計,抓住螺絲的平面側面,而不僅僅是角落,避免了螺絲的磨圓。
- 適用於英制和公制系統的完整尺寸
- 高對比度的永久雷射刻度尺寸標記易於閱讀,即使在光線較暗的情況下也是如此
- 天藝氣動套筒符合或超越ANSI、DIN和ISO的性能標準
了解更多:氣動套筒的DIN和ANSI規格之間的區別
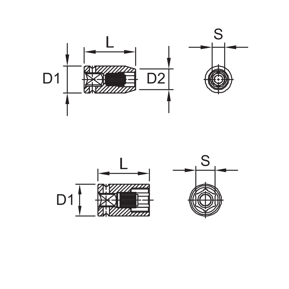
規格尺寸表
1/4"DR. MAGNETIC IMPACT SOCKET(inch)
| Item No. | S | L(mm) | D1(mm) | D2(mm) | (g) |
|---|---|---|---|---|---|
| CIDM26105 | 5/32” | 23 | 13 | 7.4 | |
| CIDM26106 | 3/16” | 23 | 13 | 7.8 | |
| CIDM26107 | 7/32” | 23 | 13 | 8.8 | |
| CIDM26108 | 1/4” | 23 | 13 | 10.4 | |
| CIDM26109 | 9/32” | 23 | 13 | 11.4 | |
| CIDM26110 | 5/16” | 23 | 13 | 12.4 | |
| CIDM26111 | 11/32” | 24.5 | 13.9 | 13.9 | |
| CIDM26112 | 3/8” | 24.5 | 14.4 | 14.4 | |
| CIDM26114 | 7/16” | 24.5 | 16.9 | 16.9 | |
| CIDM26116 | 1/2” | 24.5 | 18.9 | 18.9 | |
| CIDM26118 | 9/16” | 24.5 | 19.9 | 19.9 |
1/4"DR. MAGNETIC IMPACT SOCKET(mm)
| Item No. | S | L(mm) | D1(mm) | D2(mm) | (g) |
|---|---|---|---|---|---|
| CIDM26205 | 5 | 23 | 13 | 9.1 | |
| CIDM2620505 | 5.5 | 23 | 13 | 9.7 | |
| CIDM26206 | 6 | 23 | 13 | 10.3 | |
| CIDM26207 | 7 | 23 | 13 | 11.3 | |
| CIDM26208 | 8 | 23 | 13 | 12.5 | |
| CIDM26209 | 9 | 24.5 | 13.9 | 13.9 | |
| CIDM26210 | 10 | 24.5 | 14.4 | 14.4 | |
| CIDM26211 | 11 | 24.5 | 16.9 | 16.9 | |
| CIDM26212 | 12 | 24.5 | 17.9 | 17.9 | |
| CIDM26213 | 13 | 24.5 | 18.9 | 18.9 | |
| CIDM26214 | 14 | 24.5 | 19.9 | 19.9 |
3/8"DR. MAGNETIC IMPACT SOCKET (inch)
| Item No. | S | L(mm) | D1(mm) | D2(mm) | (g) |
|---|---|---|---|---|---|
| CIDM36108 | 1/4" | 29.5 | 19 | 10.4 | |
| CIDM36110 | 5/16" | 29.5 | 19 | 12.7 | |
| CIDM36112 | 3/8" | 29.5 | 19 | 15 | |
| CIDM36114 | 7/16" | 29.5 | 19 | 17.4 | |
| CIDM36116 | 1/2" | 29.5 | 20 | 20 | |
| CIDM36118 | 9/16" | 29.5 | 22 | 22 | |
| CIDM36120 | 5/8" | 30 | 22 | 22 | |
| CIDM36122 | 11/16" | 30 | 23.8 | 23.8 |
3/8"DR. MAGNETIC IMPACT SOCKET (mm)
| Item No. | S | L(mm) | D1(mm) | D2(mm) | (g) |
|---|---|---|---|---|---|
| CIDM36206 | 6 | 29.5 | 19 | 11.6 | |
| CIDM36207 | 7 | 29.5 | 19 | 12.8 | |
| CIDM36208 | 8 | 29.5 | 19 | 14.1 | |
| CIDM36209 | 9 | 29.5 | 19 | 15.3 | |
| CIDM36210 | 10 | 29.5 | 19 | 16.6 | |
| CIDM36211 | 11 | 29.5 | 19 | 17.8 | |
| CIDM36212 | 12 | 29.5 | 19 | 19 | |
| CIDM36213 | 13 | 29.5 | 20 | 20 | |
| CIDM36214 | 14 | 29.5 | 22 | 22 | |
| CIDM36215 | 15 | 29.5 | 22 | 22 | |
| CIDM36216 | 16 | 30 | 23.6 | 23.6 | |
| CIDM36217 | 17 | 30 | 23.8 | 23.8 |
1/2"DR. MAGNETIC IMPACT SOCKET (inch)
| Item No. | S | L(mm) | D1(mm) | D2(mm) | (g) |
|---|---|---|---|---|---|
| CIDM46110 | 5/16" | 38 | 22 | 14.5 | |
| CIDM46112 | 3/8" | 38 | 22 | 16 | |
| CIDM46114 | 7/16" | 38 | 22 | 18 | |
| CIDM46116 | 1/2" | 38 | 22 | 20 | |
| CIDM46118 | 9/16" | 38 | 24 | 22 | |
| CIDM46120 | 5/8" | 38 | 25 | 25 | |
| CIDM46122 | 11/16" | 38 | 26 | 26 | |
| CIDM46124 | 3/4" | 38 | 28 | 28 | |
| CIDM46126 | 13/16" | 38 | 30 | 30 |
1/2"DR. MAGNETIC IMPACT SOCKET (mm)
| Item No. | S | L(mm) | D1(mm) | D2(mm) | (g) |
|---|---|---|---|---|---|
| CIDM46208 | 8 | 38 | 22 | 14.5 | |
| CIDM46209 | 9 | 38 | 22 | 16 | |
| CIDM46210 | 10 | 38 | 22 | 16.7 | |
| CIDM46211 | 11 | 38 | 22 | 18 | |
| CIDM46212 | 12 | 38 | 22 | 19 | |
| CIDM46213 | 13 | 38 | 24 | 20.2 | |
| CIDM46214 | 14 | 38 | 24 | 21.5 | |
| CIDM46215 | 15 | 38 | 25 | 25 | |
| CIDM46216 | 16 | 38 | 25 | 25 | |
| CIDM46217 | 17 | 38 | 26 | 26 | |
| CIDM46218 | 18 | 38 | 27 | 27 | |
| CIDM46219 | 19 | 38 | 28 | 28 | |
| CIDM46221 | 21 | 38 | 30 | 30 |
1/4"DR. 6PT (MAGNET+SPRING) DEEP IMPACT SOCKET (MM)
| Item No. | S | L(mm) | D1(mm) | D2(mm) | (g) |
|---|---|---|---|---|---|
| IMMGA26206 | 6 | 50 | 13 | 10.3 | |
| IMMGA26207 | 7 | 50 | 13 | 11.6 | |
| IMMGA26208 | 8 | 50 | 13 | 12.5 | |
| IMMGA26209 | 9 | 50 | 13 | 13 | |
| IMMGA26210 | 10 | 50 | 14.7 | 14.7 | |
| IMMGA26211 | 11 | 50 | 15.9 | 15.9 | |
| IMMGA26212 | 12 | 50 | 16.9 | 16.9 | |
| IMMGA26213 | 13 | 50 | 18.9 | 18.9 | |
| IMMGA26214 | 14 | 50 | 19.9 | 19.9 | |
| IMMGA26215 | 15 | 50 | 20.9 | 20.9 |
3/8"DR. 6PT (MAGNET+SPRING) DEEP IMPACT SOCKET (MM)
| Item No. | S | L(mm) | D1(mm) | D2(mm) | (g) |
|---|---|---|---|---|---|
| IMMGA36206 | 6 | 50 | 18.8 | 11.6 | |
| IMMGA36207 | 7 | 50 | 18.8 | 12.8 | |
| IMMGA36208 | 8 | 50 | 18.8 | 14.1 | |
| IMMGA36209 | 9 | 50 | 18.8 | 15.3 | |
| IMMGA36210 | 10 | 50 | 18.8 | 16.6 | |
| IMMGA36211 | 11 | 50 | 18.8 | 17.8 | |
| IMMGA36212 | 12 | 50 | 18.8 | 18.8 | |
| IMMGA36213 | 13 | 50 | 19.8 | 19.8 | |
| IMMGA36214 | 14 | 50 | 20.8 | 20.8 | |
| IMMGA36215 | 15 | 50 | 21.8 | 21.8 |
產品資訊











